
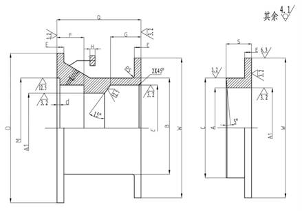
BTG填料密封體常用規格產品目錄
|
A |
A1 |
B |
C |
D |
E |
F |
G |
H |
M |
Q |
S |
W |
|
英寸 |
mm |
mm |
mm |
mm |
mm |
mm |
mm |
mm |
mm |
mm |
mm |
mm |
mm |
|
3″ |
76.2 |
78 |
119 |
101.6 |
190.5 |
10 |
40 |
50.38 |
38 |
120.65 |
122.24 |
36.51 |
177.8 |
|
3-1/4″ |
82.55 |
85 |
126 |
107.95 |
190.5 |
10 |
40 |
50.38 |
38 |
120.65 |
122.24 |
36.51 |
177.8 |
|
3-1/2″ |
88.9 |
91 |
138 |
114.3 |
206.38 |
12 |
40 |
50.38 |
38 |
133.35 |
122.24 |
41.28 |
193.68 |
|
3-3/4″ |
95.25 |
97 |
144 |
120.65 |
206.38 |
12 |
40 |
50.38 |
38 |
146.05 |
122.24 |
41.28 |
193.68 |
|
4″ |
101.6 |
105 |
153 |
127 |
219.08 |
12.5 |
40 |
50.38 |
40 |
146.05 |
122.24 |
41.28 |
206.38 |
|
4-1/2″ |
114.3 |
118 |
173 |
146.05 |
238.13 |
18 |
45 |
52.39 |
40 |
165.1 |
131.39 |
47.63 |
225.43 |
|
5″ |
127 |
130 |
193 |
165.1 |
257.18 |
18 |
50 |
65.09 |
40 |
184.15 |
149.23 |
60.33 |
244.48 |
|
5-1/2″ |
139.7 |
143 |
205 |
177.6 |
269.88 |
18 |
50 |
65.09 |
40 |
196.65 |
149.23 |
60.33 |
257.18 |
|
6″ |
152.4 |
156 |
218 |
190.5 |
288.93 |
18 |
55 |
80.96 |
40 |
203.2 |
169.86 |
76.2 |
282.58 |
|
6-1/2″ |
165.1 |
169 |
232 |
204 |
311 |
18 |
55 |
94 |
40 |
218 |
183 |
76.2 |
305 |
|
7″ |
177.8 |
181 |
246 |
217 |
333 |
18 |
55 |
107 |
40 |
233 |
197 |
80 |
327 |
|
7-1/2″ |
190.5 |
194 |
260 |
230 |
355 |
18 |
55 |
120 |
40 |
248 |
211 |
80 |
349 |
|
8″ |
203.2 |
207 |
275 |
243 |
378 |
18 |
65 |
133 |
40 |
263.53 |
225 |
80 |
372 |
|
8-1/2″ |
215.9 |
220 |
288 |
256 |
390 |
18 |
65 |
133 |
40 |
275 |
225 |
80 |
385 |
|
9″ |
228.6 |
232 |
302 |
270 |
403 |
18 |
65 |
133 |
40 |
288 |
225 |
80 |
398 |
|
9-1/2″ |
241.3 |
245 |
316 |
284 |
415 |
19 |
70 |
133 |
40 |
301 |
230 |
80 |
411 |
|
10″ |
254 |
258 |
330 |
298 |
428.6 |
20 |
70 |
133 |
40 |
314.33 |
230 |
80 |
424 |
|